Насосная станция Grundfos CMBE 1-75 I-U-C-C-D-A
Насосная станция Grundfos CMBE 1-75 I-U-C-C-D-A
Grundfos
Grundfos
Насосная станция Grundfos CMBE 1-75 I-U-C-C-D-A
Насосная станция Grundfos CMBE 1-75 I-U-C-C-D-A
Насосная станция Grundfos CMBE 1-75 I-U-C-C-D-A
Насосная станция Grundfos CMBE 1-75 I-U-C-C-D-A
Насосная станция Grundfos CMBE 1-75 I-U-C-C-D-A  Насосная станция Grundfos CMBE 1-75 I-U-C-C-D-A  Насосная станция Grundfos CMBE 1-75 I-U-C-C-D-A  Насосная станция Grundfos CMBE 1-75 I-U-C-C-D-A
Артикул:98374698
Характеристики
Серия
Grundfos CMBE
Гарантийный срок
2 лет (год)
Производитель
Grundfos
Страна производителя
Дания
Код производителя
98374698
Все характеристики
0
Нет в наличии
В корзине
Быстрая доставка
Гарантия качества
Обратная связь
Сообщить о поступлении
Сообщить о поступлении товара
Ваша просьба принята!

Вы получите уведомление о поступлении товара в продажу на указанные Вами контакты
Ваш E-Mail
Номер моб. телефона (SMS)
- обязательно к заполнению
Проверка...

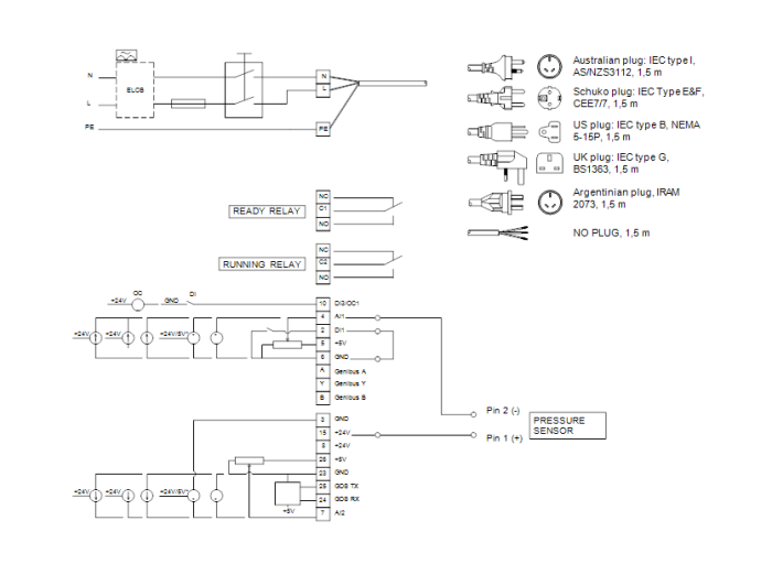
CMBE – насосная установка со встроенным преобразователем частоты, благодаря чему обеспечивается поддержание постоянного давления в точках водоразбора независимо от количества потребителей. При изменении потребности потребления воды датчик давления подает сигнал на преобразователь частоты, который производит корректировку частоты вращения электродвигателя, если это необходимо. Насосная установка CMBE готова к работе сразу же после монтажа в систему и подключения к сети электропитания. Установка CMBE помимо насоса CME со встроенным преобразователем частоты содержит в себе 5-ходовой штуцер со встроенным обратным клапаном, мембранный бак, манометр, датчик давления.

Электродвигатель Насосы CME оснащены закрытыми 2-полюсными электродвигателями с вентиляторным охлаждением. Для насосов CME не требуется внешняя защита электродвигателя. Электродвигатели MGE имеют встроенную теплозащиту от постоянной перегрузки и заклинивания (ГОСТ 27888).

Особенности и преимущества:

  • Поддержание постоянного давления благодаря встроенному преобразователю частоты;
  • Компактная конструкция;
  • Высокая надежность благодаря исполнению всех частей насосов CMЕ, соприкасающихся с перекачиваемой средой, из нержавеющей стали;
  • Комплектная установка водоснабжения - установка CMBE включает в себя насос, электродвигатель со встроенным преобразователем частоты, мембранный напорный бак, датчик давления, манометр и обратный клапан. Установка CMBE не требует никаких дополнительных принадлежностей;
  • Простая установка – установка CMBE готова к работе сразу же после монтажа в систему и подключения к сети электропитания;
  • Низкое потребление энергии - электродвигатели MGE нового поколения превосходят по КПД требования класса энергоэффективности IE4;
  • Защита от сухого хода;
  • Бесшумная работа - уровень шума ниже 55 дБ(А).
  • В комплект входит мембранный бак объемом 2 л.
Серия
Grundfos CMBE
Гарантийный срок
2 лет (год)
Производитель
Grundfos
Страна производителя
Дания
Код производителя
98374698
Защита от сухого хода
Да
Тепловая мощность, кВт
1.1 кВт
Глубина всасывания
8
Объем расширительного бака (литр)
2
Производительность (л/мин)
33
Максимальный напор
256 м
Вес
26 кг
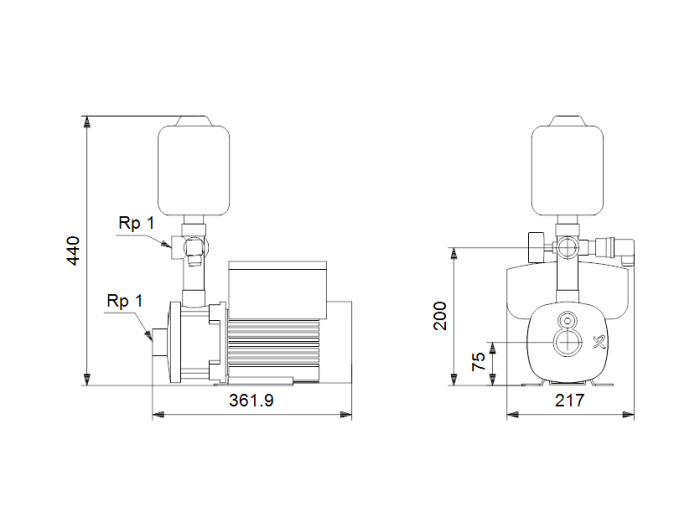
Ширина
217 мм
Высота
440 мм
Глубина
362 мм
Для данного товара пока нет документации.
Отзывов ещё нет — ваш может стать первым.

Помогите другим пользователям с выбором - будьте первым, кто поделится своим мнением об этом товаре.

+7 495 247-55-47">