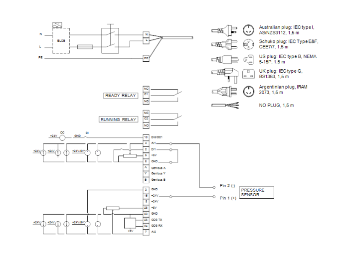
Насосная станция Grundfos CMBE TWIN 5-62 I-U-C-C-D-B
Насосная станция Grundfos CMBE TWIN 5-62 I-U-C-C-D-B
Grundfos
Grundfos
Насосная станция Grundfos CMBE TWIN 5-62 I-U-C-C-D-B
Насосная станция Grundfos CMBE TWIN 5-62 I-U-C-C-D-B
Насосная станция Grundfos CMBE TWIN 5-62 I-U-C-C-D-B
Насосная станция Grundfos CMBE TWIN 5-62 I-U-C-C-D-B
Насосная станция Grundfos CMBE TWIN 5-62 I-U-C-C-D-B  Насосная станция Grundfos CMBE TWIN 5-62 I-U-C-C-D-B  Насосная станция Grundfos CMBE TWIN 5-62 I-U-C-C-D-B  Насосная станция Grundfos CMBE TWIN 5-62 I-U-C-C-D-B
Артикул:99219423
Характеристики
Серия
Grundfos CMBE TWIN
Гарантийный срок
2 лет (год)
Производитель
Grundfos
Страна производителя
Германия
Код производителя
99219423
Все характеристики
0
Нет в наличии
В корзине
Быстрая доставка
Гарантия качества
Обратная связь
Сообщить о поступлении
Сообщить о поступлении товара
Ваша просьба принята!

Вы получите уведомление о поступлении товара в продажу на указанные Вами контакты
Ваш E-Mail
Номер моб. телефона (SMS)
- обязательно к заполнению
Проверка...

Компактная установка повышения давления Grundfos CMBE TWIN предназначена для повышения давления в коммерческих и частных
строениях до 5 этажей.

Автоматическое регулирование частоты вращения двигателей позволяет CMBE TWIN поддерживать постоянное давление в системе водоснабжения, что является отличным решением для:

  • коттеджей;
  • многоквартирных домов;
  • школ;
  • небольших гостиниц;
  • небольших офисных зданий;
  • небольших предприятий;
  • больниц.

CMBE TWIN состоит из двух одинарных установок повышения давления CMBE, подключенных параллельно и смонтированных на одном основании. 

Совместную работу насосов CMBE обеспечивают встроенные модули беспроводной связи и специальное программное обеспечение. CMBE TWIN обеспечивает следующие функции:

  • поддержание постоянного давления благодаря регулированию частоты вращения двигателей;
  • каскадное управление и чередование насосов;
  • защита от «сухого» хода;
  • простой монтаж.

ПОСТОЯННОЕ ДАВЛЕНИЕ
Встроенные частотные преобразователи поддерживают постоянное давление путем изменения частоты вращения двигателей.

ЧЕРЕДОВАНИЕ НАСОСОВ
Чередование насосов обеспечивает равномерное распределение времени работы насосов.


КАСКАДНОЕ УПРАВЛЕНИЕ
Каскадное управление включением и выключением насосов обеспечивает автоматическую регулировку производительности CMBE TWIN в зависимости
от потребления.

ВСТРОЕННАЯ ЗАЩИТА ОТ «СУХОГО» ХОДА
Наличие системы защиты от «сухого» хода имеет большое значение, поскольку работа без воды относится к наиболее частым причинам выхода насосов из строя.

ПРОСТОЙ МОНТАЖ
Установка водоснабжения и повышения давления проста в монтаже. После соединения с трубопроводами остается всего лишь подключить установку к сетевой розетке, и система начнет работать. 

ПРОСТАЯ ЭКСПЛУАТАЦИЯ
Панель управления насоса  позволяет вручную менять установленные значения необходимого давления. Grundfos Eye на панели управления служит для отображения рабочего статуса насоса.

ПРИНАДЛЕЖНОСТИ
Для простого монтажа CMBE TWIN предлагаются комплекты всасывающих/напорных трубопроводов. В комплект входят: шаровые клапаны, муфты.
Присоединение к системе водоснабжения – 1 ½ дюйма, присоединение к всасывающему патрубку насоса – 1 или 1 ¼ дюйма (в зависимости от модели установки).

Серия
Grundfos CMBE TWIN
Гарантийный срок
2 лет (год)
Производитель
Grundfos
Страна производителя
Германия
Код производителя
99219423
Защита от сухого хода
Да
Тепловая мощность, кВт
1.5 кВт
Тип питания
однофазное
Глубина всасывания
50
Объем расширительного бака (литр)
50
Производительность (л/мин)
11.2
Максимальный напор
44.2 м
Вес
48 кг
Ширина
343 мм
Высота
480 мм
Глубина
475 мм

Файлы и документация для Насосная станция Grundfos CMBE TWIN 5-62 I-U-C-C-D-B

Отзывов ещё нет — ваш может стать первым.

Помогите другим пользователям с выбором - будьте первым, кто поделится своим мнением об этом товаре.

+7 495 247-55-47">