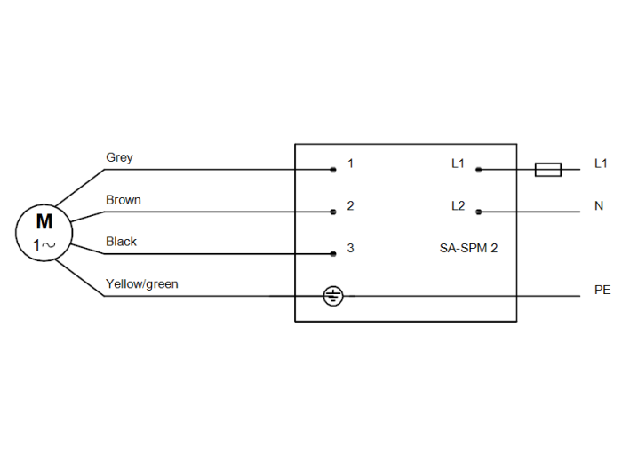
Grundfos SP 1A-28 Многоступенчатый скважинный насос для перекачивания необработанной воды, понижения уровня грунтовых вод и повышения давления чистой, невязкой, неагрессивной жидкости, без абразивных и длинноволокнистых включений. Насос полностью выполнен из Нержавеющая сталь DIN W.-Nr.DIN W.-Nr. 1.4301 и может устанавливаться как в горизонтальном, так и в вертикальном положении. Насос оснащен встроенным обратным клапаном. 1-фазный погружной электродвигатель с фильтром для песка, диафрагмой для уравновешивания давления. Подшипники смазываются перекачиваемой жидкостью.
Производитель | Grundfos |
Страна производителя | Дания |
Гарантийный срок | 2 лет (год) |
Серия | Grundfos SP |
Длина кабеля | 1.5 м |
Тепловая мощность, кВт | 750 кВт |
Защита от сухого хода | Да |
Код производителя | 08002B28 |
Максимальный напор | 162 м |
Производительность (л/мин) | 25 |
Размер фильтруемых частиц | 1 |
Вес | 17 кг |
Ширина | 101 мм |
Глубина | 101 мм |
Высота | 1049 мм |
Мин. диаметр скважины | 110 мм |
Помогите другим пользователям с выбором - будьте первым, кто поделится своим мнением об этом товаре.