Циркуляционный насос Grundfos MAGNA3 65-150 F
Циркуляционный насос Grundfos MAGNA3 65-150 F
Grundfos
Grundfos
Циркуляционный насос Grundfos MAGNA3 65-150 F
Циркуляционный насос Grundfos MAGNA3 65-150 F
Циркуляционный насос Grundfos MAGNA3 65-150 F
Циркуляционный насос Grundfos MAGNA3 65-150 F
Циркуляционный насос Grundfos MAGNA3 65-150 F  Циркуляционный насос Grundfos MAGNA3 65-150 F  Циркуляционный насос Grundfos MAGNA3 65-150 F  Циркуляционный насос Grundfos MAGNA3 65-150 F
Артикул:97924299
Характеристики
Производитель
Grundfos
Гарантийный срок
3 лет (год)
Серия
Grundfos MAGNA3
Страна производителя
Дания
Тепловая мощность, кВт
1.3 кВт
Все характеристики
0
Нет в наличии
В корзине
Быстрая доставка
Гарантия качества
Обратная связь
Сообщить о поступлении
Сообщить о поступлении товара
Ваша просьба принята!

Вы получите уведомление о поступлении товара в продажу на указанные Вами контакты
Ваш E-Mail
Номер моб. телефона (SMS)
- обязательно к заполнению
Проверка...

Данный насос с герметизированным ротором, подшипники смазываются перекачиваемой жидкостью, инновационный хомут всего с одним винтом позволяет легкое изменение положения головки насоса.

Насос не требует технического обслуживания и с очень низкими затратами полного срока эксплуатации.

Преимущества:

• Низкое энергопотребление, насос соответствует требованиям EuP 2015

• Функция AUTOADAPT обеспечивает энергосбережение

• Встроенный датчик перепада давления и датчик температуры

• Простота подбора и установки

• Отсутствие необходимости в техническом обслуживании и долгий срок службы

• Расширенный интерфейс пользователя с дисплеем TFT

• Панель управления с интуитивно понятными кнопками, выполненными из высококачественного силикона

• Журнал истории работы

• Легкая оптимизация системы

• Счётчик тепловой энергии

• Функция работы с несколькими насосами

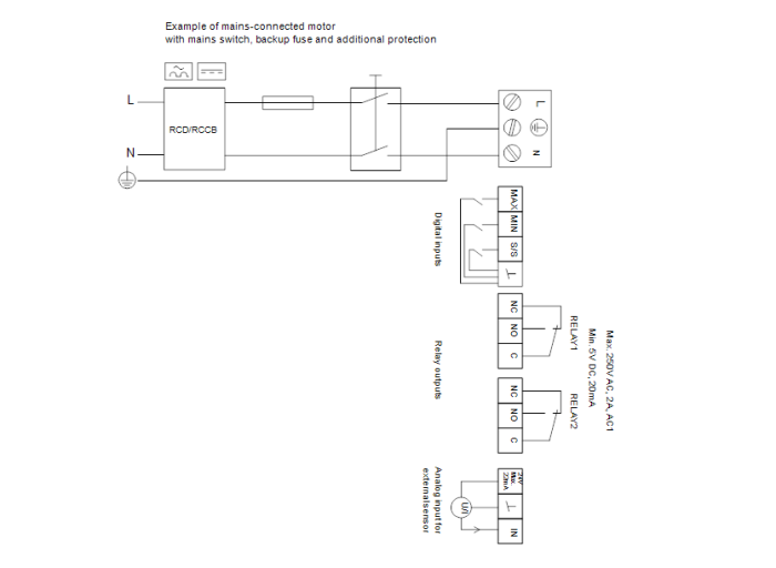
• Внешнее управление и контроль, обеспечиваемые через модули расширения

Производитель
Grundfos
Гарантийный срок
3 лет (год)
Серия
Grundfos MAGNA3
Страна производителя
Дания
Тепловая мощность, кВт
1.3 кВт
Код производителя
97924299
Монтажная длина
340 мм
Макс. Производительность (м3)
56
Напор (бар)
10
Тип питания
однофазное
Диапазон температур
от -10 до 100 °C
Вес
25 кг
Ширина
266 мм
Высота
340 мм
Глубина
386 мм

Файлы и документация для Циркуляционный насос Grundfos MAGNA3 65-150 F

Отзывов ещё нет — ваш может стать первым.

Помогите другим пользователям с выбором - будьте первым, кто поделится своим мнением об этом товаре.

+7 495 247-55-47">